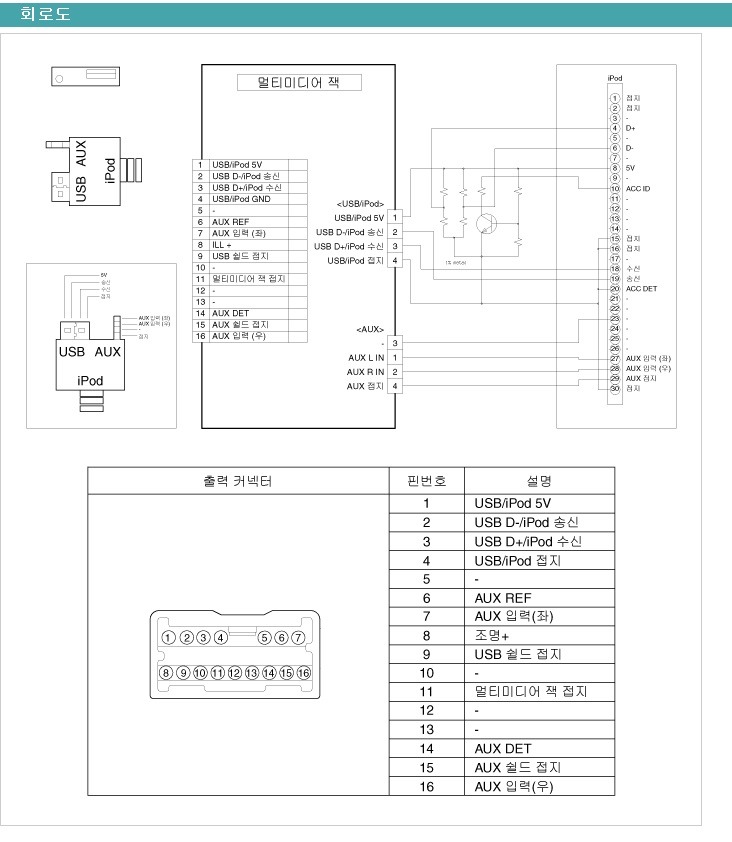
yf aux,ipod 배선도
달건의 Tuning & DIY
달건의 Tuning & DIY
0
차종
K5
정비
DIY
자료
기타
Audi
정비
DIY
자료
기타
BMW
정비
DIY
자료
기타
K7
정비
DIY
자료
기타
소나타
정비
DIY
자료
기타
제네시스
정비
DIY
자료
기타
그렌져
정비
DIY
자료
기타
산타페
정비
DIY
자료
기타
기타차종
정비
DIY
자료
기타
K5 LPI DIY/튜닝/정비
정비
DIY
자료
작업사진
기타
자동차정비
자동차정비
자동차DIY
DIY
품번/부품
자동차방음
자동차방음
인테리어
자재/부품
인테리어
익스테리어
자재/부품
익스테리어
판금/도색/랩핑
유투브
CAR-DIY
자동차세차/세척
광택/코팅
제네시스
K5-DIY
LPG차량관리
방음-DIY
자동차정비
Sonatar-DIY
선팅-DIY
운영자자료실
촬영사진/동영상
편집사진
편집동영상
시나리오
차종
K5
Audi
BMW
K7
소나타
제네시스
그렌져
산타페
기타차종
K5 LPI DIY/튜닝/정비
자동차정비
자동차정비
자동차DIY
DIY
품번/부품
자동차방음
자동차방음
인테리어
자재/부품
인테리어
익스테리어
자재/부품
익스테리어
판금/도색/랩핑
유투브
CAR-DIY
자동차세차/세척
광택/코팅
제네시스
K5-DIY
LPG차량관리
방음-DIY
자동차정비
Sonatar-DIY
선팅-DIY
운영자자료실
촬영사진/동영상
편집사진
편집동영상
시나리오
SHOP
메인
차종
자동차정비
자동차DIY
자동차방음
인테리어
익스테리어
유투브
운영자자료실
0
K5
Audi
BMW
K7
소나타
제네시스
그렌져
산타페
기타차종
K5 LPI DIY/튜닝/정비
소나타
yf aux,ipod 배선도
운영자
자료
0
6716
2017.01.28 15:36
참고하세요
0
Comments
로그인한 회원만 댓글 등록이 가능합니다.
이전
다음
목록
차종
K5
Audi
BMW
K7
소나타
정비
DIY
자료
기타
제네시스
그렌져
산타페
기타차종
K5 LPI DIY/튜닝/정비
+ 더보기
새글
글이 없습니다.
+ 더보기
새댓글
글이 없습니다.
반응형 구글광고 등